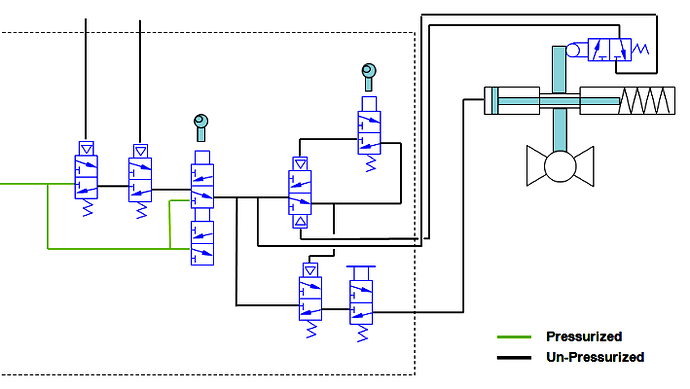
Emergency shutdown valve (ESDV) Schematics

In this post we share the emergency shutdown valve (ESDV) principle and schematics with pressure variations.

ESDV Schematics

ESDV%20Schematics%201

ESDV%20Schematics%202

ESDV%20Schematics%203

ESDV%20Schematics%204

ESDV%20Schematics%205

2 Likes