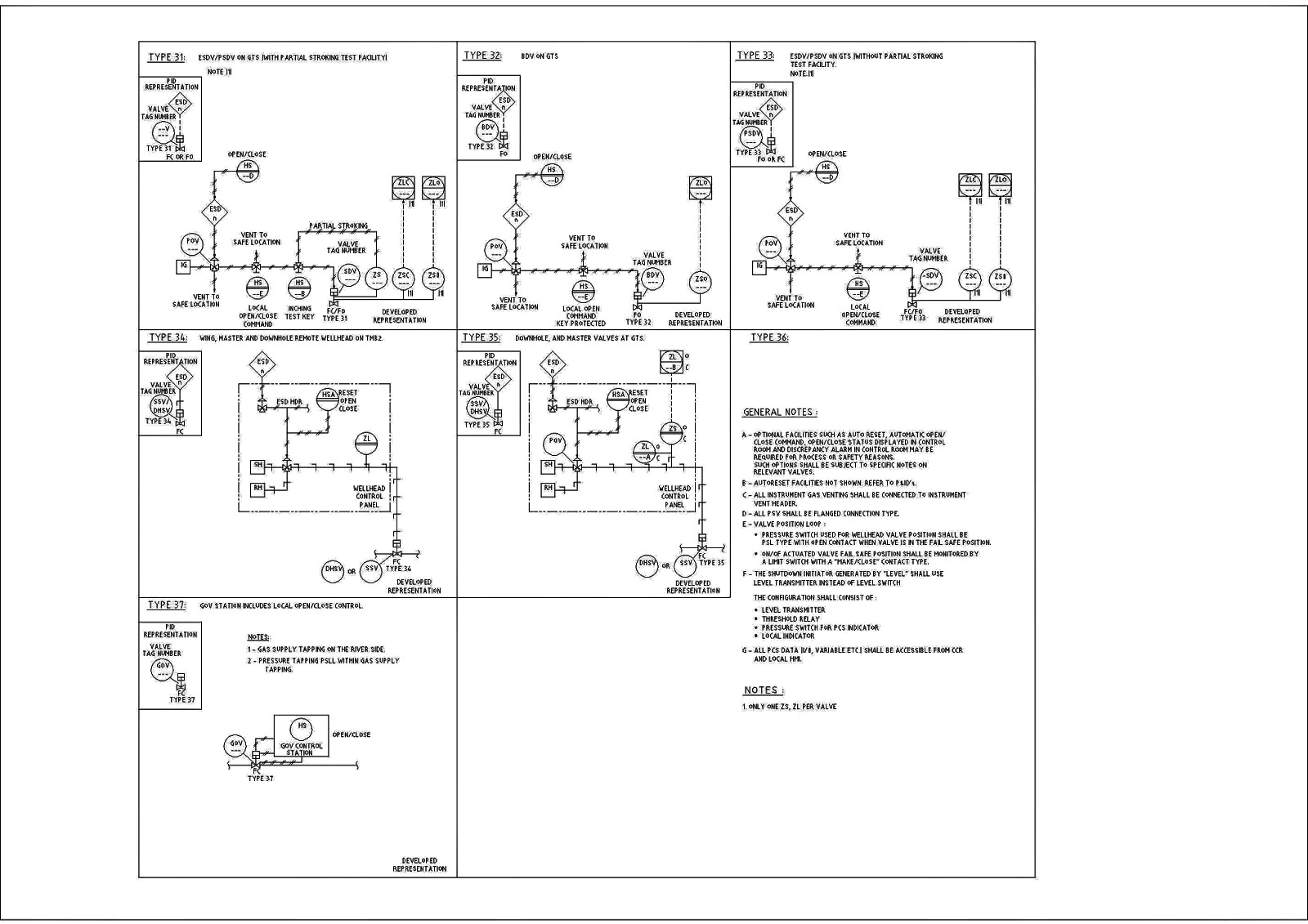
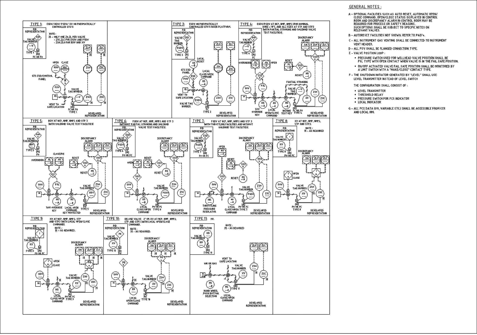
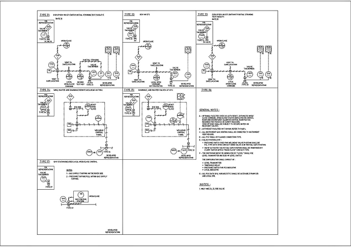
Piping Instrument Diagram Common Symbols

Mention the Piping Instrument Diagram Common Symbols or piping and instrumentation symbols used in drawings.

Piping Instrument Diagram

1 Like