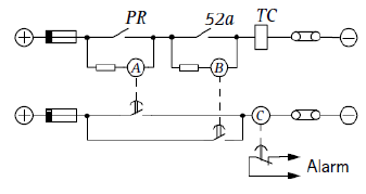
This is Trip circuit supervisory scheme

A. H7
B. H4
C. H5
D. H2
Show Answer
Answer: A
Share your understanding of this question with the correct explanation.
This is Trip circuit supervisory scheme

A. H7
B. H4
C. H5
D. H2
Answer: A
Share your understanding of this question with the correct explanation.